Products
手機: 13510720996
網址: m.whms.net.cn
郵箱: inquiry@chinaroller.com
誠信通:https://szxds123.1688.com

![]() | ![]() | ![]() |
| 產品參數 | |
| 類型 | 帶式輸送機 |
| 輸送能力 | 3-15(t/h) |
| 外形尺寸 | 可定制 |
| 功率 | 4(KW) |
| 重量 | 400(kg) |
| 輸送距離 | 1-50(m) |
| 適用領域 | 工業 農業 糧倉 工廠 礦業 流水線等 |
適用范圍
常用的行業有:電腦主機生產線、筆記本電腦裝配線、空調生產線、電視機裝配線、微波爐裝配線、打印機裝配線、傳真機裝配線、音響功放生產線、發動機裝配線等。
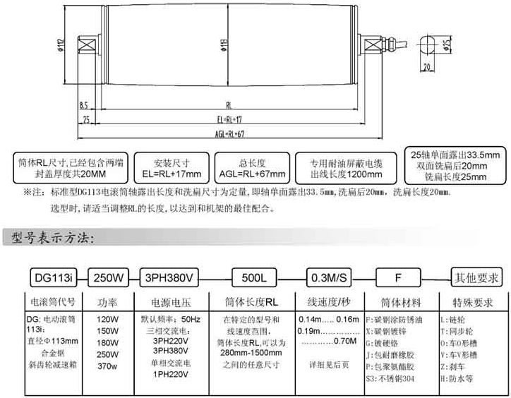
型號解說
該產品是供各種輕型移動皮帶輸送機、輥道輸送機、皮帶電子稱等使用的新型內驅動裝置。
參照采用了國際標準并消化吸收了國內外先進技術,具有結構緊湊、體積小、效率高、噪聲低、無滲漏、壽命長等特點。
可滿足各種花紋包膠、鼓形防跑偏、逆止、無級調速等需要。

型號圖解
本系列產品導航
| 皮帶輸送機 | 移動皮帶輸送機 | ||
| 直線長條皮帶輸送機 | 微型皮帶機 | 皮帶機組裝線 | |
| 轉彎駁接皮帶機 | |||
| 頂升移栽機 | 帶斗皮帶機 | 伸縮皮帶機 | |
| 爬坡皮帶輸送機 |