Products
手機: 13510720996
網址: m.whms.net.cn
郵箱: inquiry@chinaroller.com
誠信通:https://szxds123.1688.com


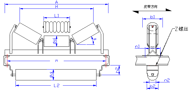
| 前進鐵架轆組A型 (單位 = 毫米) | ||||||||||||
| 皮帶寬 | 類型 | 尺 寸 | z | |||||||||
| фd | L1 | A | m | n1 | b1 | H | ||||||
| θ=20° | θ=30° | θ=35° | θ=45° | |||||||||
| 400 | A-400 | 89.1 | 145 | 690 | 640 | 140 | 190 | 465 | 426 | M12 | ||
| 450 | A-450 | 165 | 740 | 690 | 522 | 481 | ||||||
| 500 | A-500 | 180 | 790 | 740 | 565 | 522 | ||||||
| 600 | A-600-1 | 210 | 890 | 840 | 160 | 210 | 652 | 604 | ||||
| A-600-2 | 114.3 | 656 | 608 | |||||||||
| 750 | A-750 | 265 | 1090 | 1040 | 802 | 760 | 734 | 678 | ||||
| 800 | A-800 | 275 | 1140 | 1090 | 830 | 787 | 760 | 702 | ||||
| 900 | A-900 | 315 | 1240 | 1190 | 946 | 897 | 866 | 799 | ||||
| 1000 | A-1000-1 | 350 | 1340 | 1290 | 1057 | 998 | 961 | 882 | ||||
| A-1000-2 | 139.8 | 180 | 230 | 1061 | 1004 | 968 | 891 | |||||
| 1050 | A-1050 | 370 | 1390 | 1340 | 1115 | 1053 | 1014 | 931 | ||||
| 1200 | A-1200 | 420 | 1540 | 1490 | 1259 | 1190 | 1146 | 1052 | ||||
| 1400 | A-1400-1 | 500 | 1790 | 1730 | 1490 | 1414 | 1370 | 1261 | M16 | |||
| A-1400-2 | 165.2 | 280 | 340 | 1494 | 1420 | 1377 | 1270 | |||||
| 1600 | A-1600 | 580 | 1990 | 1930 | 1720 | 1633 | 1581 | 1454 | ||||
| 1800 | A-1800 | 650 | 2280 | 2220 | 330 | 390 | 1922 | 1824 | 1766 | 1623 | ||
| 2000 | A-2000 | 730 | 2480 | 2420 | 2152 | 2042 | 1977 | 1846 | ||||
| 回程鐵架轆組RA型 (單位 = 毫米) | |||||||||
| 皮帶寬 | 類型 | 尺 寸 | z | ||||||
| фd | L2 | A | m | H | |||||
| h2 | n2 | b2 | |||||||
| 400 | RA-400 | 89.1 | 460 | 690 | 640 | 100 | 50 | 100 | M12 |
| 450 | RA-450 | 510 | 740 | 690 | |||||
| 500 | RA-500 | 560 | 790 | 740 | |||||
| 600 | RA-600-1 | 660 | 890 | 840 | |||||
| RA-600-2 | 114.3 | ||||||||
| 750 | RA-750 | 850 | 1090 | 1040 | |||||
| 800 | RA-800 | 900 | 1140 | 1090 | |||||
| 900 | RA-900 | 1000 | 1240 | 1190 | |||||
| 1000 | RA-1000-1 | 1100 | 1340 | 1290 | |||||
| RA-1000-2 | 139.8 | 120 | 100 | 170 | |||||
| 1050 | RA-1050 | 1150 | 1390 | 1340 | |||||
| 1200 | RA-1200 | 1300 | 1540 | 1490 | |||||
| 1400 | RA-1400-1 | 1510 | 1790 | 1730 | 160 | 120 | 200 | M16 | |
| RA-1400-2 | 165.2 | ||||||||
| 1600 | RA-1600 | 1710 | 1990 | 1930 | |||||
| 1800 | RA-1800 | 2000 | 2280 | 2220 | |||||
| 2000 | RA-2000 | 2200 | 2480 | 2420 | |||||